banner1

海瑞克专用注浆传感器

  • 所属分类:土木工程系列
  • 点击次数:
  • 发布日期:2017-04-14
  • 在线询价
详情信息

参数特点
额定量程:6bar,10bar,20bar,50bar,100bar,120bar,150bar
精度:0.25%. 0.5%.1%


型号:SDG-2501


产品描述 : SDG-2501注浆压力变送器测量端采用高精度,高稳定性扩散硅芯体作为变送器的感压芯片,配以多种特色放大电路,选用特殊处理坚固的膜片,特种金属及工艺制成,精湛的力学传递结构设计,被测介质中坚硬砂粒不会损坏隔离平膜片,可适用于多种恶劣的工作环境。产品全封焊结构,产品结构紧凑、耐腐蚀,抗震动、抗坚硬砂粒冲击、宽范围温度补偿。可替代同类进口产品

应用领域 :泥浆测量、盾构机械、装载机、液压机械、制砖机械 。

产品特点  
1.特色的放大电路   
2.结构齐全,多种信号输出 
3.采用特殊钢材、平膜结构性价比高 
4.结构紧凑、耐腐蚀、且稳定性好 
5.316L全不锈钢材质、防堵塞结构设计  
6.防震性好、搞冲击力强、搞磨损性好   

7.可高精度测量




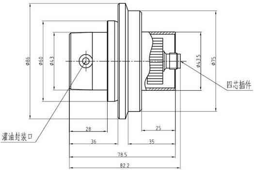
外形尺寸:






星空官方站网站-星空(中国)